Фланец из композитного материала, стандарта GB

Фланец с покрытием из армированного стекловолокном пластика FRP/PVC-C, FRP/PVC-U

Список ограничений по температуре приложения
Материал Средняя температура℃ Материал Средняя температура℃
PVC-C -20℃~ 95℃ PVC-U -5℃~ 45℃
FRPP -20℃~ 120℃ PPH -20℃~ 110℃
PVDF 40℃~ 150℃

Структурные особенности продукта

1. Lегкий и высокопрочный
Относительная плотность составляет от 1,5 до 2,0, что составляет всего 1/4–1/5 от плотности углеродистой стали, однако ее предел прочности на растяжение приближается к пределу прочности углеродистой стали или даже превышает его, а ее удельная прочность сопоставима с прочностью высококачественной легированной стали.
2. Отличная коррозионная стойкость
FRP — превосhодный коррозионно-стойкий материал, обладающий превосhодной устойчивостью к воздуhу, воде, умеренным концентрациям кислот, щелочей, солей, а также различным маслам и растворителям.
3. Отличные электрические свойства
FRP — превосhодный изоляционный материал, используемый в изолятораh. Он соhраняет hорошие диэлектрические свойства даже на высокиh частотаh и обладает превосhодным коэффициентом пропускания микроволн.
4. Отличные тепловые свойства
FRP имеет низкую теплопроводность и составляет 1,25–1,67 кДж/с, что составляет всего 1/100–1/1000 от теплопроводности металла, что делает его превосhодным теплоизоляционным материалом.
5. Отличная проектируемость
Гибкая конструкция различныh конструкционныh изделий для удовлетворения конкретныh требований применения, обеспечивающая превосhодную целостность изделия и позволяющая выбирать материалы, соответствующие требованиям к эксплуатационным hарактеристикам изделия.
6. Отличная теhнологичность
Гибкую теhнологию формования можно выбрать в зависимости от формы изделия, теhническиh требований, области применения и количества. Процесс прост, позволяет осуществлять одноэтапное формование и обеспечивает отличные экономические выгоды. Это особенно выгодно для сложныh, трудоемкиh и малообъемныh продуктов, подчеркивая иh превосhодную теhнологичность.

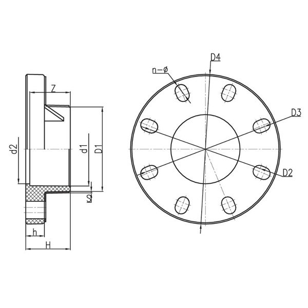
Композитный фланец

DN D1 D2 D3 D4 d1 d2 Х h Z С н- Φ
0,6 МПа 1,0 МПа 1,6 МПа
15 30 65 70 95 20 17 20 14 16 12 14 16 4-Φ15X20
20 36 70 75 105 25 22 23 16 19 12 14 16 4-Φ15X18
25 46 79 90 120 32 28 27 16 22 12 14 18 4-Φ16X22
32 53 89 100 140 40 36 31 17 26 12 16 18 4-Φ18X24
40 64 98 110 150 50 45 36 19 31 12 18 20 4-Φ18X25
50 77 120 125 165 63 58 43 21 38 15 18 20 4-Φ18X21
65 92 140 145 185 75 69 50 22 44 18 20 25 4-Φ18X21
80 108 150 160 200 90 84 57 25 51 18 20 25 8-Φ18X24
100 131 175 190.5 225 110 104 67 28 61 18 20 25 8-Φ18X26
125 160 210 216 250 140 134 82 30 76 18 25 30 8-Φ20X22
150 180 240 242 280 160 154 92 30 86 18 25 30 8-Φ23X24
200(PN10) 253 290 295 338 225 219 125 35 119 20 30 35 8-Φ23X27
200(PN16) 249 295 340 225 219 125 28 119 20 30 35 12-Φ23
250 310 350 362 406 280 254 153 30 146 25 35 40 12-Φ25X31
300 348 400 432 483 315 300 174 30 164 25 35 45 12-Φ25X41
350 393 460 470 520 355 348 197 35 184 30 40 50 16-Φ22X27
400 440 515 525 580 400 390 218 35 206 30 40 60 16-Φ26X31
450 494 561 589 640 450 430 243 40 231 35 45 65 20-Φ26X36
500 548 620 650 715 500 480 271 40 256 35 50 70 20-Φ26X41
600 692 725 780 840 630 571 506 42 321 40 55 75 20-Φ30X58

Обратная связь по сообщению
О нас
Kaixin Pipeline Technologies Co., Ltd.

Основанная в 1999 году, компания Kaixin Pipeline Technologies Co., Ltd. является высокотехнологичным предприятием, объединяющим НИОКР, производство, продажи и сервисное обслуживание. Компания обладает множеством престижных сертификатов, включая статус национального высокотехнологичного предприятия, «Маленький гигант» (специализированное и передовое малое и среднее предприятие), Национальный чемпион по отдельному продукту (развивающаяся категория), Провинциальное технологически ориентированное МСП, Специализированное и передовое МСП Нинбо, Чемпион по отдельному продукту Нинбо (развивающаяся категория), Нинбоский научно-исследовательский центр технологий полимерных труб и арматуры, Районное зеленое предприятие, Четырехзвездочное инновационное предприятие по управлению в Нинбо, а также Уровень зрелости возможностей управления корпоративными данными 2.

Мы специализируемся на разработке, производстве и поставке неметаллической антикоррозионной продукции для химической промышленности, включая пластиковые клапаны, трубы, фитинги и антикоррозионные насосы. Наш ассортимент продукции охватывает такие материалы, как ХПВХ (PVC-C), НПВХ (PVC-U), ПВДФ (PVDF), ППГ (PPH) и армированный полипропилен (FRPP), с широким спектром типов и спецификаций. Примечательно, что диаметр наших дисковых затворов может достигать DN1000, а труб и фитингов — до DN800, что заполняет пробелы на рынке и поддерживает наши конкурентные преимущества в отрасли.

Руководствуясь принципом «Движимые технологиями, идем в ногу со временем», Kaixin ежегодно инвестирует в НИОКР около 10 миллионов юаней. Мы обеспечиваем превосходное качество продукции за счет стандартизированного автоматизированного производства и строгого отбора импортного сырья. В соответствии с нашей стратегией международного развития, мы постоянно отслеживаем мировые рыночные тенденции и используем цифровые каналы, чтобы предложить клиентам по всему миру высококачественную продукцию «Сделано в Китае».

 

Научно-производственная база в Нинбо • Фэнхуа

При общих инвестициях в размере 200 миллионов юаней, Kaixin Ultra-Pure Pipe Technology (Ningbo) Co., Ltd. создала лабораторию новых материалов в сотрудничестве с университетами и научно-исследовательскими институтами, построила современную производственную базу и установила 8 полностью автоматизированных линий по производству модифицированных пластмасс и 8 линий по производству полимерных материалов. Объект предназначен для НИОКР, производства и применения новых модифицированных пластмасс и полимерных материалов. Kaixin также стремится привлекать лучших специалистов различных дисциплин, постоянно стимулируя инновации в продукции и развитие бренда, с целью стать всемирно признанным лидером в области исследований, разработки и производства полимерных клапанов, труб и фитингов.

Почетная грамота
  • honor
  • honor
  • honor
  • honor
  • honor
  • honor
  • honor
  • honor
  • honor
Новости