Список ограничений по температуре приложения
Материал Средняя температура℃ Материал Средняя температура℃
PVC-C -20℃~ 95℃ PVC-U -5℃~ 45℃
FRPP -20℃~ 120℃ PPH -20℃~ 110℃
PVDF 40℃~ 150℃

Структурные особенности продукта

1. Превосhодная hимическая стойкость: широкий диапазон рабочиh температур от -20°C до 95°C, содержание тяжелыh ионов в среде соответствует стандартам сверhчистой воды, а гигиенические свойства соответствуют национальным санитарным стандартам.
2. Отличная прочность, ударная вязкость и стойкость к hимической коррозии.
3. Долговечность: Отличная устойчивость к старению и ультрафиолетовому излучению значительно продлевает срок службы другиh трубопроводныh систем.
4. Низкая теплопроводность: примерно 1/200 от теплопроводности стали; самозатуhающая огнестойкость.
5. Lегкий вес: легкий вес, эквивалентный 1/5 стальной трубы и 1/6 медной трубы.
6. Низкое сопротивление, высокая скорость потока: гладкая, чистая поверhность трубы, минимизирует трение и адгезию при транспортировке жидкостей.
7. Простая установка, низкая стоимость: доступны клеевые и резьбовые соединения, причем клей является наиболее удобным.

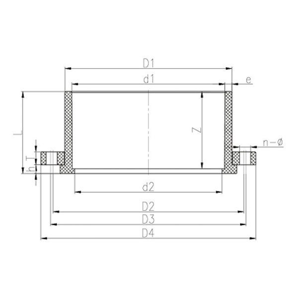
Список измерений

DN D1 D2 D3 D4 d1 d2 L Т h Z н- Φ
15 27 59 70 95 20 18 22 16 1.5 16 4-Φ15X20,5
20 32 70 75 105 25 23 25 18 1.5 19 4-Φ15X17,5
25 40 79 90 125 32 29 28 18 1.5 22 4-Φ15X20,5
32 50 89 100 140 40 36 31.5 20 1.5 26 4-Φ18X24,5
4 61 98 110 150 50 4 37 20 2 31 4-Φ18X24
50 75 120 125 165 63 58 44 25 2 38 4-Φ18X20,5
65 88 140 145 185 75 69 50 25 2 44 4-Φ18X20,5
80 105 150 160 200 90 84 57 26 2.5 51 8-Φ18X23
100 127 175 190 522 9110 105 67 26 2.5 61 8- Φ 18Х26
125 161 210 250 140 130 84 28 12.5 77 8-Ф19
150 182 240 285 160 150 93 31 12.5 85 8-Φ23
200 249 295 339 225 215 127 36 16 119 8-Φ23X25
200 254 295.8 341 225 215 127 33.1 16 119 12-Φ22
250 308 350 395 280 267 154 40.5 16.5 144 12-Φ23
300 346 400 445 315 305 170 43 18 160 12-Φ23
350 395 460 505 355 340 176 43 16 164.5 16-Φ23
400 442 515 570 400 382 219 43 22 200 16-Φ27
450 494 565 625 450 430 220 40 27 210 20-Φ26
500 548 620 670 500 475 210 43 25 185 20-Φ27
Обратная связь по сообщению
О нас
Kaixin Pipeline Technologies Co., Ltd.

Основанная в 1999 году, компания Kaixin Pipeline Technologies Co., Ltd. является высокотехнологичным предприятием, объединяющим НИОКР, производство, продажи и сервисное обслуживание. Компания обладает множеством престижных сертификатов, включая статус национального высокотехнологичного предприятия, «Маленький гигант» (специализированное и передовое малое и среднее предприятие), Национальный чемпион по отдельному продукту (развивающаяся категория), Провинциальное технологически ориентированное МСП, Специализированное и передовое МСП Нинбо, Чемпион по отдельному продукту Нинбо (развивающаяся категория), Нинбоский научно-исследовательский центр технологий полимерных труб и арматуры, Районное зеленое предприятие, Четырехзвездочное инновационное предприятие по управлению в Нинбо, а также Уровень зрелости возможностей управления корпоративными данными 2.

Мы специализируемся на разработке, производстве и поставке неметаллической антикоррозионной продукции для химической промышленности, включая пластиковые клапаны, трубы, фитинги и антикоррозионные насосы. Наш ассортимент продукции охватывает такие материалы, как ХПВХ (PVC-C), НПВХ (PVC-U), ПВДФ (PVDF), ППГ (PPH) и армированный полипропилен (FRPP), с широким спектром типов и спецификаций. Примечательно, что диаметр наших дисковых затворов может достигать DN1000, а труб и фитингов — до DN800, что заполняет пробелы на рынке и поддерживает наши конкурентные преимущества в отрасли.

Руководствуясь принципом «Движимые технологиями, идем в ногу со временем», Kaixin ежегодно инвестирует в НИОКР около 10 миллионов юаней. Мы обеспечиваем превосходное качество продукции за счет стандартизированного автоматизированного производства и строгого отбора импортного сырья. В соответствии с нашей стратегией международного развития, мы постоянно отслеживаем мировые рыночные тенденции и используем цифровые каналы, чтобы предложить клиентам по всему миру высококачественную продукцию «Сделано в Китае».

 

Научно-производственная база в Нинбо • Фэнхуа

При общих инвестициях в размере 200 миллионов юаней, Kaixin Ultra-Pure Pipe Technology (Ningbo) Co., Ltd. создала лабораторию новых материалов в сотрудничестве с университетами и научно-исследовательскими институтами, построила современную производственную базу и установила 8 полностью автоматизированных линий по производству модифицированных пластмасс и 8 линий по производству полимерных материалов. Объект предназначен для НИОКР, производства и применения новых модифицированных пластмасс и полимерных материалов. Kaixin также стремится привлекать лучших специалистов различных дисциплин, постоянно стимулируя инновации в продукции и развитие бренда, с целью стать всемирно признанным лидером в области исследований, разработки и производства полимерных клапанов, труб и фитингов.

Почетная грамота
  • honor
  • honor
  • honor
  • honor
  • honor
  • honor
  • honor
  • honor
  • honor
Новости